Misting system...in the works

One thing I can not figure out. I purchased these solenoid valves. When I hook them up they work for a while and then quit. I remove the wires and reconnect them, they work again. I am thinking the wire is crap material and doesn't conduct very well? Really frustrating:(


Watch the pressure rating for the valves. I had nice industrial valves for my own setup, they were rated for around 80psi...I ran them at about 140psi. Worked for a bit, then the plunger would get cracked and it wouldn't work any more. Maybe the same is happening to you.
 
The plunger is metal with a rubber tip on the end that 'seals' the opening. They are meant for this aplication and I think are rated at 80PSI. they work just fine after tampering with the wire. I think it is a connection issue... not 100% though :(
 
Small update.

So tonight I made a trip to HD. Needed some straight 1/8" MIP to 1/4" OD tube fitting for the valves. They have been sold out for the last week or so. Got some other fittings and am working on some assembly.

Tonight I also worked on color coding the system. I asked Russ over at BFS if there is any standard to the coloring of hoses in RO systems. He said:

Color coding is a good idea, but there is no standard between manufacturers. We use:

Blue: Tube from plumbing to the system

Yellow: Waste water

White: Purified water

Since I purchased every color he sells (six colors at a really good price BTW!). I decided to make the color code represent level of filtration. Part of my decision was influenced by the fact that I purchased 100ft of blue tubing :eek:

Black: Brine, to drain.
White: Feed from tap into system.
Yellow: Post pre-filters, through booster pump, though feed valve and then into RO membrane.
Orange: Post RO membrane, to tank and to GAC filter.
Red: Post GAC filter, through misting pump to misting valves.
Blue: Post misting valve, feeds misting sectors of system.


Hoselayoutlabel.jpg


The markings on the drawing mean:

1-4: Misting valves
F: Feed valve
B: Brine
BP: Booster pump
MP: Misting pump
GAC: Granular activated charcoal (removes any taste or odor from water being in the reserve tank)
 
Last edited:
If nothing else, it at least looks cool!

Although, if Jack Bauer saw it he'd probably try and diffuse it... :p
 
Dude... This is effing sweet!

Look at that Mistking and HerpMist, they look so nice and peaceful sitting next to each other like that...:eek::D;) combining powers for the ultimate mist system. You should name the system "The Zamp."

Kevin... I need to copy your homework man.
 
Roflmfao!

JigaWhat!?!?!?:D Oh man...sorry that was lame. I couldn't help it.:eek:

LOL!!!!!!!! ROFLMFAO!!!!!!!!! :D:D:D:D:D:D

That isn't a herpmist BTW... lol it is a booster pump from aquatec... same people Jason got his pumps from but prolly a different model than the one in the pics.
 
LOL!!!!!!!! ROFLMFAO!!!!!!!!! :D:D:D:D:D:D

That isn't a herpmist BTW... lol it is a booster pump from aquatec... same people Jason got his pumps from but prolly a different model than the one in the pics.

Ahhh... I was trying to make out the Model # on that thing... Is it a CDP 6800?
 
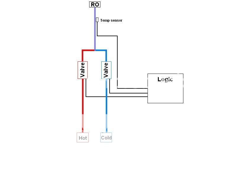
Aight. I think I am going to try my hand at maintaining water temp to the RO by using two solenoid valves and a temp probe.

I don't know if you've heard this or not, but from what I've been told, running hot water through RO systems tends to make the membrane/filters wear out more quickly. I was told it has something to do with the hot water heater element, and being a storage tank, they build up small mineral deposits, then pass those minerals into the RO system. Meaning more contaminants to filter out, shortening membrane and filter life. Could do a TDS test on your hot and cold water independently and see if hot water has more dissolved solids than cold just to be sure. Just thought I'd give you some info that I was told when I went to purchase my RO/DI system. If replacing membranes and filters more often is no big deal, I was told to go for it. I just know on my 6 stage system replacing all those filters gets expensive.
 
I don't know if you've heard this or not, but from what I've been told, running hot water through RO systems tends to make the membrane/filters wear out more quickly. I was told it has something to do with the hot water heater element, and being a storage tank, they build up small mineral deposits, then pass those minerals into the RO system. Meaning more contaminants to filter out, shortening membrane and filter life. Could do a TDS test on your hot and cold water independently and see if hot water has more dissolved solids than cold just to be sure. Just thought I'd give you some info that I was told when I went to purchase my RO/DI system. If replacing membranes and filters more often is no big deal, I was told to go for it. I just know on my 6 stage system replacing all those filters gets expensive.

Good tip! I will check this out.

The idea is that the hot and cold will alternate to maintain a 75-77*F water temp to the RO system. I need to figure it out more but the ideais that the hot water should just come on... then off for a bit...come on... go off for a bit... OR I could just get some needle valves and restrict the two supplies enough in either direction that I get the desired temp. i dunno I am just playing with it. This is a learning experience. learning how to program logic and play with RO. :eek:
 
I think you should rig a water softener unit into this :D

Spent a few hours with a couple different places trying to figure out the best way to get "0" TDS water, none of which animal related, but it helped when bringing it to my hobbies such as this and marine aquariums.
I was also told using softened water tends to wear the filters out faster, but that also depended on your water source. This is using salt based water softeners that pretty much everyone around here uses. The filters then have to filter out that salt from the water, along with the other contaminants.

It was kind of a trade off kind of thing.
Good low TDS water source(less than 200 TDS), no reason for softener. A slightly high TDS (300+TDS) water source, the softner tends to take some of it out(larger particulates), but replace it with the salt minerals. Resulting in about the same TDS after the softener, maybe slightly higher, but the salt is easier on filters than larger particulates. Also depends on the type of plumbing in your home. PEX or PVC lines run clean adding none or very little TDS(less than 5). Copper pipe or any other metal pipe adds to the TDS(about 20+ or so), I don't know why this occurs or how it happens, it just does. We couldn't figure it out, but the TDS meter was telling us it was there, so we went to the method I mention below.

Around here if you can manage to collect rainwater from your gutters the TDS is about 7-11, pump it through the RO/DI and you're down to zero TDS and it's easy on the filters. Not feasible for everyone, and it takes some pretty large sized containers(100+ gallons) to maintain a decent supply of water. Then you have the hassle of pumping the water when you want it instead of just opening a valve like in a homes pressurized system.

This is all based on prolonging filter life as they are expensive. This was for a business where we could end up going through 500+ gallons of "0" TDS water per week. I highly doubt you'll go through that much in a home system so my points may not mean a lot to your use, just information for those that might like to have it. I like to apply it to home use though, why replace filters every 6 months if you can make them last a year or more??
 
Last edited:
Back
Top Bottom